개요
본 보고서는 Microchip AVR128DA64/48/32/28 시리즈 마이크로컨트롤러의 GPIO(General Purpose Input/Output) 기능을 분석하고 이를 활용할 수 있는 드라이버를 구현한 내용을 다룹니다. AVR128DA 시리즈는 최대 55개의 프로그래머블 I/O 핀을 제공하며, 각 핀은 입력/출력 방향 제어, 풀업/풀다운 저항, 인터럽트, 드라이브 강도, 슬루 레이트 제어 등의 다양한 기능을 지원합니다. 또한, **가상 포트(VPORT)**를 통한 싱글 사이클 액세스를 제공하여 고속 데이터 처리가 가능하고, 모든 슬립 모드에서 비동기 핀 변경 감지를 지원해 저전력 애플리케이션에도 적합합니다. 본 드라이버는 이러한 기능을 추상화하여, Microchip Studio 및 AVR-GCC 환경에서 AVR128DA64/48/32/28 전 모델에 호환되도록 설계되었습니다.

사양
AVR128DA 시리즈의 GPIO 사양은 다음과 같습니다:
- 핀 수:
- AVR128DA64: 최대 55개 (PORTA~PORTG).
- AVR128DA48: 최대 41개 (PORTA~PORTF, PORTG 일부).
- AVR128DA32: 최대 27개 (PORTA, PORTC, PORTD, PORTF).
- AVR128DA28: 최대 23개 (PORTA, PORTC, PORTD, PORTF 일부).
- 전압 범위: 1.8V ~ 5.5V (VDD).
- 기능:
- 입력/출력 방향 설정.
- 풀업 저항, 입력 인버트, 슬루 레이트 제어.
- 8비트 단위 출력 (PORTx.OUT, VPORTx.OUT).
- 인터럽트: 모든 핀에서 지원, Px2/Px6은 비동기 감지로 모든 슬립 모드 웨이크업.
- 클럭 의존성: Peripheral Clock (CLK_PER)로 동기화, 비동기 감지 지원.
- 접근 방식:
- PORTx: 확장 I/O 레지스터 (0x0400~).
- VPORTx: 싱글 사이클 I/O (0x00~0x1F).
- 리셋 상태: 모든 핀은 입력 모드, 디지털 입력 버퍼 활성, 출력 트라이스테이트.
- 전력 최적화: 입력 버퍼 비활성화(ISC=INPUT_DISABLE)로 전력 절감.
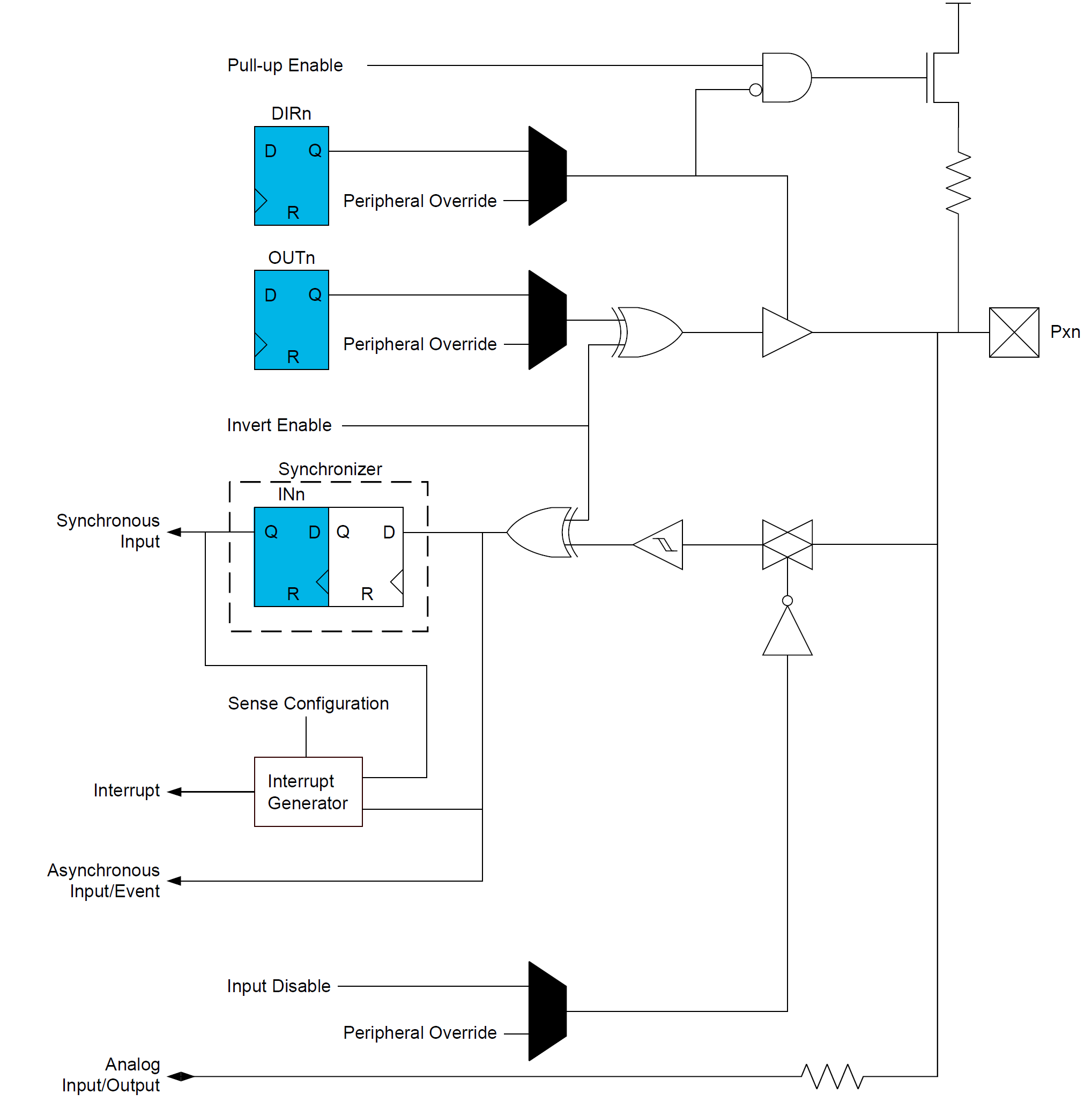
GPIO Bitfield 설정 상세
GPIO는 PORTx 및 VPORTx 레지스터를 통해 제어됩니다. 데이터시트의 Register Summary에 따라 주요 레지스터와 비트필드는 다음과 같습니다:

- PORTx.DIR (0x00):
- 비트 [7:0]: DIR[7:0] (0: 입력, 1: 출력).
- 리셋: 0x00, 읽기/쓰기(R/W).
- PORTx.DIRSET (0x01):
- 비트 [7:0]: DIRSET[7:0] (1 작성으로 출력 설정).
- 리셋: 0x00, R/W.
- PORTx.DIRCLR (0x02):
- 비트 [7:0]: DIRCLR[7:0] (1 작성으로 입력 설정).
- 리셋: 0x00, R/W.
- PORTx.DIRTGL (0x03):
- 비트 [7:0]: DIRTGL[7:0] (1 작성으로 방향 토글).
- 리셋: 0x00, R/W.
- PORTx.OUT (0x04):
- 비트 [7:0]: OUT[7:0] (0: LOW, 1: HIGH).
- 리셋: 0x00, R/W.
- PORTx.OUTSET (0x05):
- 비트 [7:0]: OUTSET[7:0] (1 작성으로 HIGH 설정).
- 리셋: 0x00, R/W.
- PORTx.OUTCLR (0x06):
- 비트 [7:0]: OUTCLR[7:0] (1 작성으로 LOW 설정).
- 리셋: 0x00, R/W.
- PORTx.OUTTGL (0x07):
- 비트 [7:0]: OUTTGL[7:0] (1 작성으로 출력 토글).
- 리셋: 0x00, R/W.
- PORTx.IN (0x08):
- 비트 [7:0]: IN[7:0] (입력 상태).
- 리셋: Undefined, 읽기 전용(R).
- PORTx.INTFLAGS (0x09):
- 비트 [7:0]: INT[7:0] (인터럽트 플래그, 1 작성으로 클리어).
- 리셋: 0x00, R/W.
- PORTx.PORTCTRL (0x0A):
- 비트 [0]: SRL (0: 슬루 레이트 제한 비활성, 1: 활성).
- 리셋: 0x00, R/W.
- PORTx.PINCONFIG (0x0B):
- 비트 [7]: INVEN (1: 입력 인버트).
- 비트 [3]: PULLUPEN (1: 풀업 활성).
- 비트 [2:0]: ISC[2:0] (입력 감지: 0x0=INTDISABLE, 0x1=BOTHEDGES, 0x2=RISING, 0x3=FALLING, 0x4=INPUT_DISABLE, 0x5=LEVEL).
- 리셋: 0x00, R/W.
- PORTx.PINCTRLUPD (0x0C):
- 비트 [7:0]: PINCTRLUPD[7:0] (1 작성으로 PINCONFIG 적용).
- 리셋: 0x00, R/W.
- PORTx.PINCTRLSET (0x0D):
- 비트 [7:0]: PINCTRLSET[7:0] (1 작성으로 PINCONFIG 설정).
- 리셋: 0x00, R/W.
- PORTx.PINCTRLCLR (0x0E):
- 비트 [7:0]: PINCTRLCLR[7:0] (1 작성으로 PINCONFIG 클리어).
- 리셋: 0x00, R/W.
- PORTx.PIN0CTRL(0x10~x17):
- 비트 [7]: INVEN (1: 입력 인버트).
- 비트 [3]: PULLUPEN (1: 풀업 활성).
- 비트 [2:0]: ISC[2:0] (입력 감지: 0x0=INTDISABLE, 0x1=BOTHEDGES, 0x2=RISING, 0x3=FALLING, 0x4=INPUT_DISABLE, 0x5=LEVEL).
- 리셋: 0x00, R/W.
- VPORTx (0x00~0x1F):
- DIR, OUT, IN, INTFLAGS 매핑 (싱글 사이클).
GPIO 설정 절차
GPIO 설정은 다음 순서로 진행합니다:
- 클럭 설정: CLKCTRL로 CLK_PER 활성화 (예: 24MHz OSCHF, Auto-tune).
- 방향 설정: PORTx.DIRSET/CLR로 입력/출력 지정.
- 출력 값 설정: PORTx.OUTSET/CLR/TGL 또는 PORTx.OUT에 8비트 값 작성.
- 핀 설정: PORTx.PINnCTRL로 풀업, 인버트, 입력 감지(ISC) 설정.
- 인터럽트 설정: PINnCTRL.ISC로 감지 모드 설정, INTFLAGS 클리어, 인터럽트 벡터 활성화.
- 슬루 레이트 설정: PORTx.PORTCTRL.SRL로 슬루 레이트 제한 활성화/비활성화.
- 멀티플렉싱 확인: PORTMUX로 주변 장치와 충돌 방지.
- 전력 최적화: 사용하지 않는 핀은 ISC=INPUT_DISABLE.
- 테스트: 출력 확인 및 인터럽트 동작 검증.
GPIO 설정 고려사항
- 전력 최적화: 사용하지 않는 핀은 ISC=INPUT_DISABLE로 입력 버퍼 비활성.
- 인터럽트: Px2/Px6 핀은 비동기 감지 지원(저전력 웨이크업). ISC 변경 시 동기화 지연 주의. INTFLAGS 클리어 필수.
- 슬루 레이트: PORTCTRL.SRL=1로 EMI 감소. 고속 신호 시 SRL=0 사용.
- 멀티플렉싱: PORTMUX 설정으로 주변 장치(USART, SPI 등) 우선순위 확인.
- 호환성: AVR128DA28/32는 PORTB/E/G 제한. <avr/io.h>로 모델별 정의 제공.
- CCP 보호: CLKCTRL 등 보호 레지스터는 _PROTECTED_WRITE 사용.
- 리셋 상태: 리셋 후 핀은 입력, 트라이스테이트. 초기화 전 확인.
드라이버 구현 내용
드라이버는 AVR128DA64/48/32/28 호환으로 설계되었으며, GPIO 기능을 추상화합니다. 주요 구현은 다음과 같습니다:
- gpio_init: 다중 핀 초기화 (PORTx.DIRSET/CLR).
- gpio_set: 개별 핀 출력 설정 (PORTx.OUTSET/CLR).
- gpio_write_port: 8비트 출력 (PORTx.OUT).
- vport_write_port: 싱글 사이클 8비트 출력 (VPORTx.OUT).
- gpio_read: 입력 읽기 (PORTx.IN).
- gpio_toggle: 출력 토글 (PORTx.OUTTGL).
- gpio_pullup: 풀업 설정 (PORTx.PINnCTRL.PULLUPEN).
- gpio_set_interrupt: 인터럽트 감지 모드 설정 (PINnCTRL.ISC).
- gpio_clear_interrupt: 인터럽트 플래그 클리어 (PORTx.INTFLAGS).
- gpio_set_slew_rate: 슬루 레이트 제한 설정 (PORTx.PORTCTRL.SRL).
- 클럭 설정: main.c에서 24MHz OSCHF, Auto-tune 활성화 (CLKCTRL, _PROTECTED_WRITE).
- 호환성: <avr/io.h>로 모델별 포트 정의 지원. VPORT는 고속 출력 옵션.
구현코드
gpio_driver.h
/**
* @file gpio_driver.h
* @brief AVR128DA64/48/32/28 GPIO 드라이버 헤더 파일
* @details 모든 AVR128DA 시리즈 호환. 다중 핀 초기화, 1바이트 출력, VPORT, 인터럽트, 슬루 레이트 지원.
*/
#ifndef GPIO_DRIVER_H
#define GPIO_DRIVER_H
#include <avr/io.h>
#include <stdint.h>
/**
* @brief GPIO 방향 정의: 입력(0) 또는 출력(1)
*/
#define GPIO_INPUT 0
#define GPIO_OUTPUT 1
/**
* @brief 풀업 저항 설정 정의: 비활성화(0) 또는 활성화(1)
*/
#define GPIO_PULLUP_DISABLE 0
#define GPIO_PULLUP_ENABLE 1
/**
* @brief 인터럽트 감지 모드 정의
* @details PINnCTRL.ISC에 따른 설정 (데이터시트 17.3.6)
*/
#define GPIO_INT_DISABLE 0x0 // 인터럽트 비활성
#define GPIO_INT_BOTHEDGES 0x1 // 양쪽 에지 감지
#define GPIO_INT_RISING 0x2 // 상승 에지 감지
#define GPIO_INT_FALLING 0x3 // 하강 에지 감지
#define GPIO_INT_INPUT_DISABLE 0x4 // 입력 버퍼 비활성
#define GPIO_INT_LEVEL 0x5 // 레벨 감지
/**
* @brief 슬루 레이트 제한 정의
* @details PORTCTRL.SRL에 따른 설정 (0: 비활성, 1: 활성)
*/
#define GPIO_SLEW_RATE_DISABLE 0
#define GPIO_SLEW_RATE_ENABLE 1
/**
* @brief 여러 GPIO 핀을 동시에 초기화
* @param ports PORT 레지스터 포인터 배열
* @param pins 핀 번호 배열 (0-7)
* @param directions 방향 배열 (GPIO_INPUT 또는 GPIO_OUTPUT)
* @param num_ports 초기화할 포트 수
* @note AVR128DA28/32에서는 PORTB/PORTE/PORTG 제한
*/
void gpio_init(PORT_t *ports[], uint8_t pins[], uint8_t directions[], uint8_t num_ports);
/**
* @brief 개별 GPIO 핀 출력 설정
* @param port PORT 레지스터 포인터
* @param pin 핀 번호 (0-7)
* @param value 설정 값 (0: LOW, 1: HIGH)
*/
void gpio_set(PORT_t *port, uint8_t pin, uint8_t value);
/**
* @brief 포트 전체에 8비트 값 출력
* @param port PORT 레지스터 포인터
* @param value 8비트 출력 값 (0x00~0xFF)
*/
void gpio_write_port(PORT_t *port, uint8_t value);
/**
* @brief 가상 포트로 8비트 값 출력 (싱글 사이클)
* @param vport VPORT 레지스터 포인터
* @param value 8비트 출력 값 (0x00~0xFF)
*/
void vport_write_port(VPORT_t *vport, uint8_t value);
/**
* @brief GPIO 핀 입력 읽기
* @param port PORT 레지스터 포인터
* @param pin 핀 번호 (0-7)
* @return 핀 상태 (0: LOW, 1: HIGH)
*/
uint8_t gpio_read(PORT_t *port, uint8_t pin);
/**
* @brief GPIO 핀 출력 토글
* @param port PORT 레지스터 포인터
* @param pin 핀 번호 (0-7)
*/
void gpio_toggle(PORT_t *port, uint8_t pin);
/**
* @brief GPIO 핀 풀업 저항 설정
* @param port PORT 레지스터 포인터
* @param pin 핀 번호 (0-7)
* @param enable 풀업 설정 (GPIO_PULLUP_DISABLE 또는 GPIO_PULLUP_ENABLE)
*/
void gpio_pullup(PORT_t *port, uint8_t pin, uint8_t enable);
/**
* @brief GPIO 핀 인터럽트 감지 모드 설정
* @param port PORT 레지스터 포인터
* @param pin 핀 번호 (0-7)
* @param mode 인터럽트 감지 모드 (GPIO_INT_xxx)
* @note 인터럽트 활성화 후 전역 인터럽트(SREG.I) 활성화 필요
*/
void gpio_set_interrupt(PORT_t *port, uint8_t pin, uint8_t mode);
/**
* @brief GPIO 핀 인터럽트 플래그 클리어
* @param port PORT 레지스터 포인터
* @param pin 핀 번호 (0-7)
*/
void gpio_clear_interrupt(PORT_t *port, uint8_t pin);
/**
* @brief 포트의 슬루 레이트 제한 설정
* @param port PORT 레지스터 포인터
* @param enable 슬루 레이트 제한 (GPIO_SLEW_RATE_DISABLE 또는 GPIO_SLEW_RATE_ENABLE)
*/
void gpio_set_slew_rate(PORT_t *port, uint8_t enable);
#endif // GPIO_DRIVER_H
gpio_driver.c
/**
* @file gpio_driver.c
* @brief AVR128DA64/48/32/28 GPIO 드라이버 구현
* @details PORTx 및 VPORTx 레지스터로 GPIO 제어. 인터럽트, 슬루 레이트 추가.
*/
#include "gpio_driver.h"
/**
* @brief 여러 GPIO 핀을 동시에 초기화
* @details DIRSET(출력) 또는 DIRCLR(입력) 레지스터로 방향 설정
*/
void gpio_init(PORT_t *ports[], uint8_t pins[], uint8_t directions[], uint8_t num_ports) {
for (uint8_t i = 0; i < num_ports; i++) {
if (directions[i] == GPIO_OUTPUT) {
ports[i]->DIRSET = (1 << pins[i]); // 핀을 출력으로 설정
} else {
ports[i]->DIRCLR = (1 << pins[i]); // 핀을 입력으로 설정
}
}
}
/**
* @brief 개별 GPIO 핀 출력 설정
* @details OUTSET(1) 또는 OUTCLR(0) 레지스터로 핀 상태 설정
*/
void gpio_set(PORT_t *port, uint8_t pin, uint8_t value) {
if (value) {
port->OUTSET = (1 << pin); // 핀을 HIGH로 설정
} else {
port->OUTCLR = (1 << pin); // 핀을 LOW로 설정
}
}
/**
* @brief 포트 전체에 8비트 값 출력
* @details PORTx.OUT 레지스터에 8비트 값을 직접 작성
*/
void gpio_write_port(PORT_t *port, uint8_t value) {
port->OUT = value; // 8비트 값으로 포트 출력 설정
}
/**
* @brief 가상 포트로 8비트 값 출력
* @details VPORTx.OUT 레지스터에 싱글 사이클로 8비트 값 작성
*/
void vport_write_port(VPORT_t *vport, uint8_t value) {
vport->OUT = value; // 싱글 사이클로 8비트 값 출력
}
/**
* @brief GPIO 핀 입력 읽기
* @details IN 레지스터에서 핀 상태 읽기
*/
uint8_t gpio_read(PORT_t *port, uint8_t pin) {
return (port->IN & (1 << pin)) ? 1 : 0; // IN 레지스터에서 상태 반환
}
/**
* @brief GPIO 핀 출력 토글
* @details OUTTGL 레지스터로 핀 출력 반전
*/
void gpio_toggle(PORT_t *port, uint8_t pin) {
port->OUTTGL = (1 << pin); // 핀 출력 토글
}
/**
* @brief GPIO 핀 풀업 저항 설정
* @details PINnCTRL 레지스터의 PULLUPEN 비트 설정 (오프셋 0x10 + pin)
*/
void gpio_pullup(PORT_t *port, uint8_t pin, uint8_t enable) {
volatile uint8_t *pinctrl = (volatile uint8_t *)((uintptr_t)port + 0x10 + pin);
if (enable) {
*pinctrl |= (1 << 3); // PULLUPEN 비트 설정
} else {
*pinctrl &= ~(1 << 3); // PULLUPEN 비트 클리어
}
}
/**
* @brief GPIO 핀 인터럽트 감지 모드 설정
* @details PINnCTRL.ISC 비트 설정 (오프셋 0x10 + pin)
*/
void gpio_set_interrupt(PORT_t *port, uint8_t pin, uint8_t mode) {
volatile uint8_t *pinctrl = (volatile uint8_t *)((uintptr_t)port + 0x10 + pin);
*pinctrl = (*pinctrl & ~(0x7 << 0)) | (mode << 0); // ISC[2:0] 설정
}
/**
* @brief GPIO 핀 인터럽트 플래그 클리어
* @details PORTx.INTFLAGS에 1 작성으로 플래그 클리어
*/
void gpio_clear_interrupt(PORT_t *port, uint8_t pin) {
port->INTFLAGS = (1 << pin); // INTFLAGS 비트 클리어
}
/**
* @brief 포트의 슬루 레이트 제한 설정
* @details PORTx.PORTCTRL.SRL 비트 설정
*/
void gpio_set_slew_rate(PORT_t *port, uint8_t enable) {
if (enable) {
port->PORTCTRL |= (1 << 0); // SRL 비트 설정
} else {
port->PORTCTRL &= ~(1 << 0); // SRL 비트 클리어
}
}
main.c
/**
* @file main.c
* @brief AVR128DA64/48/32/28 GPIO 드라이버 테스트 프로그램
* @details 24MHz 클럭 설정 후 GPIO 드라이버를 사용한 기본 동작 테스트
*/
#ifndef F_CPU
#define F_CPU 24000000UL // 시스템 클럭 주파수 24MHz 정의
#endif
#include <avr/io.h>
#include <util/delay.h>
#include "gpio_driver.h"
/**
* @brief 시스템 클럭을 24MHz OSCHF로 설정하고 Auto-tune 활성화
* @details 데이터시트(DS40002183A) 기반:
* - XOSC32KCTRLA: 32.768kHz 크리스털 활성 (ENABLE=1, RUNSTDBY=1).
* - OSCHFCTRLA: FRQSEL=24MHz, AUTOTUNE=1.
* - MCLKCTRLB: 프리스케일러 비활성 (PEN=0).
* - MCLKCTRLA: OSCHF 선택 (CLKSEL=0x0).
* - _PROTECTED_WRITE로 CCP 보호.
* @note TOSC1/TOSC2(PF6/PF7)에 32.768kHz 크리스털 연결 필수
*/
void clock_init_24mhz(void) {
// 32.768kHz 외부 크리스털 오실레이터(XOSC32K) 활성화
_PROTECTED_WRITE(CLKCTRL.XOSC32KCTRLA, CLKCTRL_ENABLE_bm | CLKCTRL_RUNSTDBY_bm);
// XOSC32K 안정화 대기 (타임아웃 약 1초)
uint32_t timeout = 24000000UL;
while (!(CLKCTRL.MCLKSTATUS & CLKCTRL_XOSC32KS_bm) && timeout--) {
_delay_us(1);
}
if (timeout == 0) {
// 타임아웃 시 디버깅용 무한 루프
while (1);
}
// 내부 OSCHF를 24MHz로 설정, XOSC32K 오토튜닝 활성화
_PROTECTED_WRITE(CLKCTRL.OSCHFCTRLA, CLKCTRL_FRQSEL_24M_gc | CLKCTRL_AUTOTUNE_bm);
// 시스템 클럭 소스를 OSCHF로 설정
_PROTECTED_WRITE(CLKCTRL.MCLKCTRLA, CLKCTRL_CLKSEL_OSCHF_gc);
// 클럭 프리스케일러 비활성화
_PROTECTED_WRITE(CLKCTRL.MCLKCTRLB, 0x00);
// 시스템 클럭 안정화 대기 (타임아웃 약 1초)
timeout = 24000000UL;
while ((CLKCTRL.MCLKSTATUS & CLKCTRL_SOSC_bm) && timeout--) {
_delay_us(1);
}
if (timeout == 0) {
// 타임아웃 시 디버깅용 무한 루프
while (1);
}
}
/**
* @brief 메인 함수
* @details GPIO 드라이버를 사용해 개별 핀, 1바이트 출력, 슬루 레이트 테스트
*/
int main(void) {
clock_init_24mhz(); // 클럭 설정
// PA0(출력), PB1(입력), PC0(출력) 초기화
PORT_t *ports[] = {&PORTA, &PORTB, &PORTC};
uint8_t pins[] = {0, 1, 0};
uint8_t directions[] = {GPIO_OUTPUT, GPIO_INPUT, GPIO_OUTPUT};
gpio_init(ports, pins, directions, 3);
PORTA.DIRSET = 0xFF; // PA0~PA7 출력
PORTC.DIRSET = 0xFF; // PC0~PC7 출력
gpio_pullup(&PORTB, 1, GPIO_PULLUP_ENABLE); // PB1 풀업
gpio_set_slew_rate(&PORTA, GPIO_SLEW_RATE_ENABLE); // PORTA 슬루 레이트 제한 활성
uint8_t pattern = 0x55; // 초기 패턴 (01010101)
while (1) {
uint8_t button_state = gpio_read(&PORTB, 1); // PB1 버튼 읽기
if (button_state == 0) { // 버튼 눌림 (LOW)
gpio_write_port(&PORTA, pattern); // PORTA에 패턴 출력
vport_write_port(&VPORTC, pattern); // VPORTC에 패턴 출력
} else {
gpio_write_port(&PORTA, 0x00); // PORTA 모든 핀 LOW
vport_write_port(&VPORTC, 0x00); // VPORTC 모든 핀 LOW
}
pattern = (pattern == 0x55) ? 0xAA : 0x55; // 패턴 토글
_delay_ms(500); // 500ms 딜레이
gpio_toggle(&PORTA, 0); // PA0 토글
gpio_toggle(&PORTC, 0); // PC0 토글
_delay_ms(500);
}
return 0;
}
예제
다음은 드라이버를 활용한 2가지 예제 코드로, 인터럽트와 슬루 레이트 기능을 반영합니다.
예제 1: 버튼 인터럽트로 LED 제어
/**
* @file button_interrupt_example.c
* @brief 버튼 인터럽트로 LED 제어 예제
* @details PB2 버튼의 하강 에지 인터럽트로 PA0 LED 토글, PORTA 슬루 레이트 제한 적용
*/
#ifndef F_CPU
#define F_CPU 24000000UL // 시스템 클럭 24MHz
#endif
#include <avr/io.h>
#include <avr/interrupt.h>
#include <util/delay.h>
#include "gpio_driver.h"
/**
* @brief 시스템 클럭 설정 (24MHz, Auto-tune)
* @details 데이터시트(DS40002183A) 기반:
* - XOSC32KCTRLA: 32.768kHz 크리스털 활성 (ENABLE=1, RUNSTDBY=1).
* - OSCHFCTRLA: FRQSEL=24MHz, AUTOTUNE=1.
* - MCLKCTRLB: 프리스케일러 비활성 (PEN=0).
* - MCLKCTRLA: OSCHF 선택 (CLKSEL=0x0).
* - _PROTECTED_WRITE로 CCP 보호.
* @note TOSC1/TOSC2(PF6/PF7)에 32.768kHz 크리스털 연결 필수
*/
void clock_init_24mhz(void) {
// 32.768kHz 외부 크리스털 오실레이터(XOSC32K) 활성화
_PROTECTED_WRITE(CLKCTRL.XOSC32KCTRLA, CLKCTRL_ENABLE_bm | CLKCTRL_RUNSTDBY_bm);
// XOSC32K 안정화 대기 (타임아웃 약 1초)
uint32_t timeout = 24000000UL;
while (!(CLKCTRL.MCLKSTATUS & CLKCTRL_XOSC32KS_bm) && timeout--) {
_delay_us(1);
}
if (timeout == 0) {
// 타임아웃 시 디버깅용 무한 루프
while (1);
}
// 내부 OSCHF를 24MHz로 설정, XOSC32K 오토튜닝 활성화
_PROTECTED_WRITE(CLKCTRL.OSCHFCTRLA, CLKCTRL_FRQSEL_24M_gc | CLKCTRL_AUTOTUNE_bm);
// 시스템 클럭 소스를 OSCHF로 설정
_PROTECTED_WRITE(CLKCTRL.MCLKCTRLA, CLKCTRL_CLKSEL_OSCHF_gc);
// 클럭 프리스케일러 비활성화
_PROTECTED_WRITE(CLKCTRL.MCLKCTRLB, 0x00);
// 시스템 클럭 안정화 대기 (타임아웃 약 1초)
timeout = 24000000UL;
while ((CLKCTRL.MCLKSTATUS & CLKCTRL_SOSC_bm) && timeout--) {
_delay_us(1);
}
if (timeout == 0) {
// 타임아웃 시 디버깅용 무한 루프
while (1);
}
}
/**
* @brief PORTB 인터럽트 서비스 루틴
* @details PB2 인터럽트 발생 시 PA0 LED 토글
*/
ISR(PORTB_PORT_vect) {
if (PORTB.INTFLAGS & (1 << 2)) { // PB2 인터럽트 확인
gpio_toggle(&PORTA, 0); // PA0 LED 토글
gpio_clear_interrupt(&PORTB, 2); // 플래그 클리어
}
}
/**
* @brief 메인 함수
* @details PB2 버튼 인터럽트로 PA0 LED 제어, 슬루 레이트 제한 활성
*/
int main(void) {
clock_init_24mhz(); // 클럭 설정
// PA0(출력), PB2(입력) 초기화
PORT_t *ports[] = {&PORTA, &PORTB};
uint8_t pins[] = {0, 2};
uint8_t directions[] = {GPIO_OUTPUT, GPIO_INPUT};
gpio_init(ports, pins, directions, 2);
gpio_pullup(&PORTB, 2, GPIO_PULLUP_ENABLE); // PB2 풀업
gpio_set_slew_rate(&PORTA, GPIO_SLEW_RATE_ENABLE); // PA0 슬루 레이트 제한
gpio_set_interrupt(&PORTB, 2, GPIO_INT_FALLING); // PB2 하강 에지 인터럽트
sei(); // 전역 인터럽트 활성화
while (1) {
// 인터럽트 기반 동작, 메인 루프는 대기
_delay_ms(100); // CPU 부하 감소
}
return 0;
}
예제 2: 7세그먼트 디스플레이 타이머
/**
* @file seven_segment_timer_example.c
* @brief 7세그먼트 디스플레이 타이머 예제
* @details PORTA에 7세그먼트 디스플레이 연결, PB1 버튼으로 타이머 시작/정지, 슬루 레이트 적용
*/
#ifndef F_CPU
#define F_CPU 24000000UL // 시스템 클럭 24MHz
#endif
#include <avr/io.h>
#include <util/delay.h>
#include "gpio_driver.h"
/**
* @brief 7세그먼트 디스플레이 패턴 (0~9, 공통 양극)
* @details 1=꺼짐, 0=켜짐 (공통 양극)
*/
static const uint8_t seg_patterns[] = {
0xC0, // 0
0xF9, // 1
0xA4, // 2
0xB0, // 3
0x99, // 4
0x92, // 5
0x82, // 6
0xF8, // 7
0x80, // 8
0x90 // 9
};
/**
* @brief 시스템 클럭 설정 (24MHz, Auto-tune)
* @details 데이터시트(DS40002183A) 기반:
* - XOSC32KCTRLA: 32.768kHz 크리스털 활성 (ENABLE=1, RUNSTDBY=1).
* - OSCHFCTRLA: FRQSEL=24MHz, AUTOTUNE=1.
* - MCLKCTRLB: 프리스케일러 비활성 (PEN=0).
* - MCLKCTRLA: OSCHF 선택 (CLKSEL=0x0).
* - _PROTECTED_WRITE로 CCP 보호.
* @note TOSC1/TOSC2(PF6/PF7)에 32.768kHz 크리스털 연결 필수
*/
void clock_init_24mhz(void) {
// 32.768kHz 외부 크리스털 오실레이터(XOSC32K) 활성화
_PROTECTED_WRITE(CLKCTRL.XOSC32KCTRLA, CLKCTRL_ENABLE_bm | CLKCTRL_RUNSTDBY_bm);
// XOSC32K 안정화 대기 (타임아웃 약 1초)
uint32_t timeout = 24000000UL;
while (!(CLKCTRL.MCLKSTATUS & CLKCTRL_XOSC32KS_bm) && timeout--) {
_delay_us(1);
}
if (timeout == 0) {
// 타임아웃 시 디버깅용 무한 루프
while (1);
}
// 내부 OSCHF를 24MHz로 설정, XOSC32K 오토튜닝 활성화
_PROTECTED_WRITE(CLKCTRL.OSCHFCTRLA, CLKCTRL_FRQSEL_24M_gc | CLKCTRL_AUTOTUNE_bm);
// 시스템 클럭 소스를 OSCHF로 설정
_PROTECTED_WRITE(CLKCTRL.MCLKCTRLA, CLKCTRL_CLKSEL_OSCHF_gc);
// 클럭 프리스케일러 비활성화
_PROTECTED_WRITE(CLKCTRL.MCLKCTRLB, 0x00);
// 시스템 클럭 안정화 대기 (타임아웃 약 1초)
timeout = 24000000UL;
while ((CLKCTRL.MCLKSTATUS & CLKCTRL_SOSC_bm) && timeout--) {
_delay_us(1);
}
if (timeout == 0) {
// 타임아웃 시 디버깅용 무한 루프
while (1);
}
}
/**
* @brief 버튼 디바운싱 함수
* @details PB1 버튼 상태를 3회 확인하여 안정된 상태 반환
* @return 0 (눌림, LOW), 1 (해제, HIGH)
*/
uint8_t debounce_button(PORT_t *port, uint8_t pin) {
uint8_t state = gpio_read(port, pin);
_delay_ms(10);
if (state == gpio_read(port, pin)) {
_delay_ms(10);
if (state == gpio_read(port, pin)) {
return state;
}
}
return 1; // 불안정 시 기본값 (해제)
}
/**
* @brief 메인 함수
* @details PB1 버튼으로 타이머 시작/정지, PORTA에 카운터 표시
*/
int main(void) {
clock_init_24mhz(); // 클럭 설정
// PA0~PA7(7세그먼트 출력), PB1(입력) 초기화
PORT_t *ports[] = {&PORTA, &PORTB};
uint8_t pins[] = {0, 1};
uint8_t directions[] = {GPIO_OUTPUT, GPIO_INPUT};
gpio_init(ports, pins, directions, 2);
PORTA.DIRSET = 0xFF; // PA0~PA7 출력
gpio_pullup(&PORTB, 1, GPIO_PULLUP_ENABLE); // PB1 풀업
gpio_set_slew_rate(&PORTA, GPIO_SLEW_RATE_ENABLE); // PORTA 슬루 레이트 제한
uint8_t count = 0; // 타이머 카운터
uint8_t running = 0; // 타이머 상태 (0: 정지, 1: 동작)
while (1) {
// PB1 버튼으로 타이머 시작/정지
if (debounce_button(&PORTB, 1) == 0) {
running = !running; // 상태 토글
_delay_ms(200); // 추가 디바운싱 대기
}
if (running) {
count = (count + 1) % 10; // 0~9 카운트
vport_write_port(&VPORTA, seg_patterns[count]); // 7세그먼트 표시
_delay_ms(1000); // 1초 간격
} else {
vport_write_port(&VPORTA, seg_patterns[count]); // 현재 값 유지
_delay_ms(50); // 대기
}
}
return 0;
}
사용방법
- 프로젝트 설정:
- Microchip Studio에서 AVR 프로젝트 생성.
- 타겟 장치 선택 (AVR128DA64/48/32/28).
- gpio_driver.h, gpio_driver.c, main.c 또는 예제 파일(button_interrupt_example.c, seven_segment_timer_example.c) 추가.
- 빌드 및 프로그래밍:
- AVR-GCC로 컴파일.
- Atmel-ICE, AVR Dragon 등으로 HEX 파일 업로드.
- 클럭 설정:
- clock_init_24mhz() 호출로 24MHz OSCHF 설정.
- TOSC1/TOSC2(PF6/PF7)에 32.768kHz 크리스털 연결.
- GPIO 설정:
- gpio_init으로 다중 핀 초기화.
- gpio_write_port 또는 vport_write_port로 8비트 출력.
- gpio_pullup으로 입력 풀업 설정.
- gpio_set_interrupt로 인터럽트 설정, sei()로 전역 인터럽트 활성화.
- gpio_set_slew_rate로 슬루 레이트 제한 설정.
- 모델별 주의:
- AVR128DA28/32: PORTB/E/G 제한. 예제에서 PORTB 사용 시 컴파일 에러로 확인.
- 예: AVR128DA28에서는 PORTA/C/D/F만 사용.
추가팁
- 고속 출력: vport_write_port로 싱글 사이클 출력 (비트 뱅잉, SPI 등에 유용).
- 저전력: 사용하지 않는 핀은 ISC=INPUT_DISABLE로 입력 버퍼 비활성.
- 인터럽트: Px2/Px6 핀(PB2 등)으로 비동기 감지 활용. ISR에서 플래그 클리어 필수.
- 슬루 레이트: 고속 신호 시 SRL=0, EMI 감소 시 SRL=1.
- 디버깅: CLKOUT(PA7) 활성화(MCLKCTRLA.CLKOUT=1)로 클럭 검증.
- 멀티플렉싱: PORTMUX로 주변 장치 충돌 확인.
- 패키지별 핀 확인: 데이터시트 Table 1-2로 핀 가용성 확인.
결론
AVR128DA64/48/32/28 시리즈용 GPIO 드라이버는 개별 핀 제어, 포트 단위 출력, 인터럽트, 슬루 레이트 제어, VPORT 기반 고속 처리를 지원하며, 저전력 모드 및 멀티플렉싱 환경에서도 안정적으로 동작하도록 설계되었습니다. 예제 코드(버튼 인터럽트, 7세그먼트 디스플레이 제어)를 통해 드라이버 활용 방안을 검증했으며, 전 모델에 호환성을 갖추어 다양한 애플리케이션에서 즉시 활용 가능합니다. 추후 드라이브 강도 설정 등 추가 기능은 데이터시트를 기반으로 확장할 수 있습니다.
'MCU > AVR' 카테고리의 다른 글
| Microchip studio 및 mplab 에서 발생하는 'vsnprintf_P' 경고, 이유와 해결책 (0) | 2025.09.13 |
|---|---|
| AVR128DA 시리즈 UART 드라이버 설계 및 구현 (0) | 2025.09.03 |
| AVR128DB48 클럭 설정 상세 가이드 (0) | 2025.08.20 |
| AVR128DB48 ZCD 사용 방법 및 예제 코드 (0) | 2025.08.20 |
| AVR128DB48 ADC 차동모드 설정 방법 및 예제 코드 (0) | 2025.08.20 |
| AVR128DB48 RTC 사용 방법 및 예제 코드 (0) | 2025.08.20 |
| AVR128DB48 LIN, IrDA, RS485, MPCM, 스타트 프레임 감지, 동기 모드 사용 방법 및 예제 코드 (0) | 2025.08.20 |
| AVR128DB48 Event System 사용 방법 및 예제 코드(수정) (0) | 2025.08.20 |