Howland Current Pump는 정밀한 전류 제어가 필요한 전자 회로로, 부하 저항의 변화에도 일정한 전류를 공급하는 전류원 회로입니다. 이 글에서는 기본 및 개선된 Howland Current Pump의 원리, 회로 구성,설계 고려 사항, 장단점, 응용 분야, 그리고 실제 구현 사례를 상세히 다룹니다.
1. Howland Current Pump의 기본 원리
Howland Current Pump는 연산 증폭기(op-amp)를 기반으로 설계된 회로로, 입력 전압 \( V_{in} \)에 비례하는 일정한 전류 \( I_L \)을 부하 저항 \( R_L \)에 공급합니다. 주요 특징은 다음과 같습니다:
- 정전류원: 부하 저항 \( R_L \)의 변동에도 출력 전류 \( I_L \)이 일정.
- 양방향 전류: 양극성 전원(±Vcc)을 사용하여 양의 전류(소싱)와 음의 전류(싱킹) 지원.
- 높은 출력 임피던스: 이상적인 전류원에 가까운 특성 제공.
2. 기본 Howland Current Pump
2.1 회로 구성
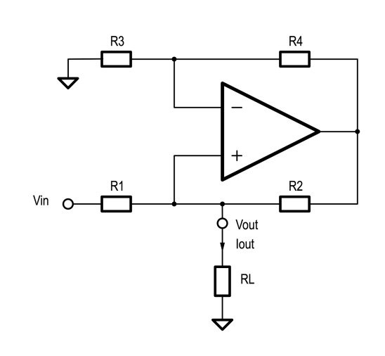
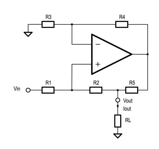
기본 Howland Current Pump는 연산 증폭기와 4개의 저항(\( R_1, R_2, R_3, R_4 \)) 및 부하 저항(\( R_L \))으로 구성됩니다. 회로도는 다음과 같습니다:

- Vin: 입력 전압, 출력 전류를 결정.
- R1, R2, R3, R4: 저항 네트워크, 출력 전류와 안정성 제어.
- R_L: 부하 저항, 전류가 흐르는 대상.
- Vout: 연산 증폭기의 출력 전압.
- Op-Amp: 부정귀환을 통해 전류 제어.
2.2 수식: 출력 전류
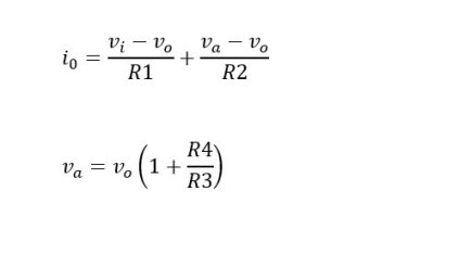
그림 1 기본 구성을 보여줍니다. 부하 저항을 통해 흐르는 전류는 저항 R1과 R2를 통과하는 전류의 합입니다. 또한 연산 증폭기가 비반전 증폭기를 형성한다는 것을 알 수 있습니다. 이를 통해 두 가지 방정식을 얻을 수 있습니다.

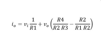
두 번째 식을 첫 번째 식에 대입하면 다음과 같은 식이 나옵니다.

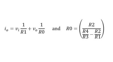
괄호 안의 식은 저항의 역수로 표현되었으며, 출력 노드에서 보았을 때 회로의 출력 임피던스를 나타냅니다. 이를 R0라고 부르겠습니다. 이제 다음과 같은 식이 성립합니다.

R1/R2 비율을 R3/R4 비율과 같게 설정하면(예를 들어 모든 저항을 동일하게 만들어서) 출력 노드의 임피던스는 무한대로 수렴하게 되며 따라서 출력은 v i /R1 값을 갖는 전압 제어 전류 소스가 됩니다. 실제로 회로의 성능을 극대화하려면 저항 비율이 잘 정합되어야 하고 CMRR이 좋은 연산 증폭기가 필요합니다.
3. 개선된 Howland Current Pump
3.1 회로 구성
개선된 Howland Current Pump는 기본 회로의 단점(저항 매칭 민감도, 제한된 출력 임피던스)을 보완하며, 추가 저항 \( R_5 \)를 포함합니다:

- R5: 피드백 경로 최적화, 출력 임피던스 증가.
- 저항 비율 조건: \( \frac{R_1}{R_2} = \frac{R_3}{R_4} \).
3.2 수식 : 출력 전류

3.4 기본 회로와의 차이점
- 추가 저항 \( R_5 \): 피드백 경로 최적화, 출력 임피던스 증가.
- 저항 매칭 민감도: 개선된 회로는 오차에 덜 민감.
- 출력 임피던스: 개선된 회로가 더 높고 안정적.
4. 설계 시 고려 사항
- 저항 매칭: \( \frac{R_1}{R_2} = \frac{R_3}{R_4} \) 조건을 엄격히 준수. 0.01% 공차 저항 사용 권장.
- 연산 증폭기: 높은 CMRR, 낮은 오프셋 전압, 넓은 출력 전압 스윙 필요(예: OPA454, ±50V).
- 전원 공급: 양방향 전류를 위해 양극성 전원(±15V~±50V) 사용.
- 주파수 응답: 고주파 신호에서는 기생 커패시턴스와 대역폭 제한 고려.
5. 장단점
5.1 장점
- 정밀한 전류 제어: \( I_L \)이 \( R_L \)에 독립적.
- 양방향 전류: 양/음 전류 지원.
- 간단한 구조: 소수 부품으로 구현 가능.
- 개선된 회로: 높은 출력 임피던스와 안정성.
5.2 단점
- 저항 매칭 민감도: 기본 회로에서 오차에 민감.
- 연산 증폭기 한계: 출력 전압 범위와 대역폭 제한.
- 복잡한 튜닝: 정밀한 저항과 연산 증폭기 선택 필요.
6. 응용 분야
Howland Current Pump는 다양한 분야에서 활용됩니다:
- 센서 구동: RTD, 열전대에 일정한 전류(예: 1mA) 공급.
- 의료 기기: ECG/EEG에서 피부 임피던스 변화에도 안정적인 전류(10µA~100µA) 공급.
- 전기화학: 배터리 테스트, 전착에서 전극에 정밀 전류.
- 계측 시스템: 반도체 테스트, 저항 측정.
- LED/레이저 다이오드 구동: 광 출력 안정화.
- 모터 제어: 테이프 기계의 릴 모터 토크 제어.
- 액추에이터/솔레노이드: 밸브 제어.
- 과학 및 연구: 물리 실험에서 자기장 생성.
- 커패시터 충/방전: 슬루율 제어, 타이밍 회로.
7. 결론
Howland Current Pump는 기본 및 개선된 버전 모두 정밀한 전류 제어를 위한 강력한 회로입니다. 이 회로는 센서 구동, 의료 기기, 전기화학, 계측 시스템 등 다양한 응용에서 활용되며, 설계 시 저항 매칭, 연산 증폭기 선택, 부하 범위, 주파수 응답을 고려해야 합니다.
참고문헌:
“높은 정확도와 빠른 안정화를 갖춘 대용량 전류 소스 | Analog Devices.” 2021년 4월 7일
“AN-1515 하울랜드 전류 펌프에 대한 포괄적 연구.” Texas Instruments, 2013년 4월.
'전자회로' 카테고리의 다른 글
| OP-AMP 이완 발진기(Relaxation Oscillator) 회로 (0) | 2026.02.27 |
|---|---|
| 광절연기(Optocoupler)를 이용한 HCT-to-HCT 인터페이스 (0) | 2026.02.14 |