🔎 Binary Counter란?
74HC93, 74HC161, 74HC163은 모두 Binary Counter(이진 카운터) IC입니다.
- 74HC93 : 4bit Ripple Counter (비동기)



- 74HC161 / 74HC163 : 4bit Synchronous Binary Counter (동기식, Load/Enable 지원)



이 칩들은 클럭 신호가 들어올 때마다 Q출력 핀에 2진수 형태로 카운트 값을 출력합니다.
간단히 말해, 클럭 펄스를 입력하면 자동으로 2진 카운터가 동작합니다.
⚡ 아두이노와 연결하기
아두이노와 연결 시 필요한 기본 핀은 다음과 같습니다.
- CLK (Clock) : 아두이노에서 펄스를 발생시켜 카운터 증가
- RESET : 카운터 값 초기화
- LOAD : 원하는 값으로 병렬 로드 (74HC161/163 전용)
- ENABLE : 카운트 동작 허용/정지
- Q0~Q3 : 카운터 출력값(4bit)
🔌 아두이노와 74HC 계열 Binary Counter 연결 방법
1️⃣ 기본 연결 원리
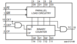
Binary Counter IC는 클럭(Clock) 입력을 받아 카운트가 증가하고, 그 결과를 Q0~Q3 출력으로 내보냅니다.
아두이노는 다음과 같은 역할을 합니다:
- Clock 핀 → 아두이노에서 HIGH-LOW 펄스를 만들어 카운트 증가
- Reset 핀 → 카운터 값을 초기화
- Enable 핀 → 카운트 동작 허용/정지
- Load 핀 → 병렬 데이터 로드 (74HC161/163 전용)
- Q0~Q3 출력핀 → 아두이노에서 읽어서 현재 카운터 값 확인
2️⃣ 74HC161 연결 예시
| 74HC161 핀 | 기능 | 아두이노 핀 |
| CLK | 클럭 입력 | D2 |
| CLR | 리셋(비동기) | D3 |
| LOAD | 병렬 로드 | D4 |
| ENP / ENT | Enable 핀 | D5 |
| Q0 ~ Q3 | 카운터 출력 | D6, D7, D8, D9 |
| VCC | 전원 +5V | 5V |
| GND | 접지 | GND |
👉 Q0~Q3은 아두이노 입력 모드로 설정해 카운트 값을 읽어옵니다.
👉 ENP/ENT 두 개의 Enable 핀은 보통 묶어서 같이 제어하거나, 하나는 GND에 연결하고 하나만 제어합니다.
3️⃣ 74HC93 연결 예시
| 74HC93 핀 | 기능 | 아두이노 핀 |
| CLK A | 1분주 카운터 클럭 | D2 |
| CLK B | 3~4비트 카운터 클럭 | Q0 출력에 직접 연결 |
| R0(1),R0(2) | 리셋 입력 (두 핀 모두 HIGH일 때 초기화) | D3, D4 |
| Q0 ~ Q3 | 카운터 출력 | D6, D7, D8, D9 |
| VCC | 전원 +5V | 5V |
| GND | 접지 | GND |
👉 74HC93은 비동기 카운터라서 Q0 출력이 다음 스테이지 클럭 입력으로 연결됩니다.
4️⃣ 74HC163 연결 예시
| 4HC163 핀 | 기능 | 아두이노 핀 |
| CLK | 클럭 입력 | D2 |
| CLR | 리셋 | D3 |
| LOAD | 병렬 로드 | D4 |
| ENP / ENT | Enable 핀 | D5 |
| Q0 ~ Q3 | 카운터 출력 | D6, D7, D8, D9 |
| VCC | 전원 +5V | 5V |
| GND | 접지 | GND |
👉 74HC161과 거의 동일하나, Reset과 Load의 내부 논리 차이가 있으므로 데이터시트를 참고해야 합니다.
🛠 아두이노용 라이브러리 만들기
매번 핀을 직접 제어하기는 불편하니, 전용 라이브러리를 만들었습니다.
HCxCounter 클래스는 74HC93, 74HC161, 74HC163을 공통적으로 다룰 수 있습니다.
라이브러리 파일 구조
HCxCounter/
├── HCxCounter.h
├── HCxCounter.cpp
└── examples/
└── HCxCounter_Test/HCxCounter_Test.ino
HCxCounter.h
#ifndef HCXCOUNTER_H
#define HCXCOUNTER_H
#include <Arduino.h>
/*
* HCxCounter 클래스
* 74HC93 / 74HC161 / 74HC163 같은 Binary Counter IC를
* 아두이노에서 쉽게 제어하기 위한 라이브러리
*
* 기능:
* - Clock 펄스 발생 (카운트 증가)
* - Reset (카운터 초기화)
* - Load (병렬 로드, 74HC161/163 전용)
* - Enable (카운트 허용/정지)
* - Q 출력핀(4bit) 값 읽기
*/
class HCxCounter {
public:
/*
* 생성자
* clkPin : Clock 입력 핀 (필수)
* resetPin : Reset 입력 핀 (없으면 255)
* loadPin : Load 입력 핀 (없으면 255)
* enablePin: Enable 입력 핀 (없으면 255)
* qPins : Q0~Q3 출력 핀 배열 (없으면 nullptr)
*/
HCxCounter(uint8_t clkPin,
uint8_t resetPin = 255,
uint8_t loadPin = 255,
uint8_t enablePin = 255,
uint8_t qPins[4] = nullptr);
void begin(); // 핀 모드 초기화
void pulseClock(); // Clock 펄스 1회 발생 (카운트 +1)
void reset(); // 카운터 리셋
void load(uint8_t value); // 병렬 로드 (74HC161/163 전용, 기본 구현은 Load 핀만 Pulse)
uint8_t read(); // Q0~Q3 출력값 읽기 (0~15)
void enable(bool en); // Enable 핀 제어 (true: 동작, false: 정지)
private:
uint8_t _clkPin, _resetPin, _loadPin, _enablePin;
uint8_t _qPins[4];
};
#endif
HCxCounter.cpp
#include "HCxCounter.h"
HCxCounter::HCxCounter(uint8_t clkPin, uint8_t resetPin, uint8_t loadPin, uint8_t enablePin, uint8_t qPins[4]) {
_clkPin = clkPin;
_resetPin = resetPin;
_loadPin = loadPin;
_enablePin = enablePin;
// Q 출력 핀 저장
if (qPins != nullptr) {
for (int i = 0; i < 4; i++) _qPins[i] = qPins[i];
} else {
for (int i = 0; i < 4; i++) _qPins[i] = 255; // 사용하지 않음
}
}
void HCxCounter::begin() {
// 입력 핀/출력 핀 초기화
pinMode(_clkPin, OUTPUT);
if (_resetPin != 255) pinMode(_resetPin, OUTPUT);
if (_loadPin != 255) pinMode(_loadPin, OUTPUT);
if (_enablePin != 255) pinMode(_enablePin, OUTPUT);
for (int i = 0; i < 4; i++) {
if (_qPins[i] != 255) pinMode(_qPins[i], INPUT);
}
}
void HCxCounter::pulseClock() {
// Clock 핀에 HIGH → LOW 펄스를 1회 발생
digitalWrite(_clkPin, HIGH);
delayMicroseconds(5); // 짧은 시간 대기
digitalWrite(_clkPin, LOW);
delayMicroseconds(5);
}
void HCxCounter::reset() {
// Reset 핀을 사용 가능할 때만 실행
if (_resetPin != 255) {
/*
* 주의: IC마다 Reset 신호의 논리가 다름
* - 74HC93: LOW 레벨에서 Reset 동작
* - 74HC161/163: HIGH 레벨에서 Reset 동작
* 필요에 따라 이 부분 수정 가능
*/
digitalWrite(_resetPin, LOW);
delayMicroseconds(5);
digitalWrite(_resetPin, HIGH);
}
}
void HCxCounter::load(uint8_t value) {
// 병렬 Load 기능 (실제 구현은 외부 데이터 핀 연결 필요)
if (_loadPin == 255) return;
// 단순히 Load 핀에 Pulse를 줌
digitalWrite(_loadPin, LOW);
delayMicroseconds(5);
digitalWrite(_loadPin, HIGH);
}
uint8_t HCxCounter::read() {
// Q0~Q3 출력값을 읽어서 4bit 값으로 합치기
uint8_t val = 0;
for (int i = 0; i < 4; i++) {
if (_qPins[i] != 255) val |= (digitalRead(_qPins[i]) << i);
}
return val;
}
void HCxCounter::enable(bool en) {
// Enable 핀이 연결되어 있을 경우 제어
if (_enablePin != 255) {
/*
* 74HC161/163의 경우 Enable이 LOW일 때 동작
* 따라서 true → LOW, false → HIGH
*/
digitalWrite(_enablePin, en ? LOW : HIGH);
}
}
📘 예제 코드
#include <HCxCounter.h>
// 74HC161 연결 예시
// CLK → 2번핀, RESET → 3번핀, LOAD → 4번핀, ENABLE → 5번핀
// Q0~Q3 → 6,7,8,9번핀
uint8_t qPins[4] = {6,7,8,9};
HCxCounter counter(2, 3, 4, 5, qPins);
void setup() {
Serial.begin(9600);
// 핀 모드 설정
counter.begin();
// 카운터 초기화
counter.reset();
// Enable = true → 카운터 동작 허용
counter.enable(true);
}
void loop() {
// Clock 펄스 1회 발생 → 카운터 +1
counter.pulseClock();
delay(500); // 0.5초마다 카운트
// Q0~Q3 출력값 읽기
uint8_t val = counter.read();
// 시리얼 모니터에 출력
Serial.print("Counter 값: ");
Serial.println(val);
}
📊 실행 결과
아두이노가 0.5초마다 Clock 펄스를 발생시키면,
74HC161의 출력(Q0~Q3)은 0 → 1 → 2 → … → 15 → 0 순으로 증가합니다.
시리얼 모니터에는 다음과 같이 출력됩니다:
Counter: 0
Counter: 1
Counter: 2
...
Counter: 15
Counter: 0
✅ 마무리
이렇게 하면 74HC93 / 74HC161 / 74HC163 같은 Binary Counter IC를 아두이노에서 손쉽게 제어할 수 있습니다.
특히 LED, 주파수 분주, 간단한 타이머 회로 등을 아두이노 없이도 IC로 구현할 수 있으니, 학습용이나 하드웨어 제어용으로 활용해보면 좋습니다.
'MCU > 아두이노' 카테고리의 다른 글
| 아두이노에서 74HC157 / 74HC153 멀티플렉서(MUX) 제어 (0) | 2025.09.10 |
|---|---|
| 아두이노에서 74HC165 (병렬 → 직렬 변환기) 사용하기 (0) | 2025.09.03 |
| 아두이노에서 74HC154 제어하기 (0) | 2025.09.03 |
| 아두이노에서 74HC573 사용하기 (0) | 2025.09.03 |
| Arduino UNO R4에서 DMA 설정 및 사용하기 (0) | 2025.08.20 |
| AVR128DA48 Curiosity Nano를 아두이노 보드 만들기 | 어셈블리 코드로 1602 LCD 제어(Controlling 1602 LCD with AVR128DA48 Curiosity Nano Using Arduino DxCore) (0) | 2025.08.14 |
| Arduino UNO R4: RA4M1 I2C 드라이버 구현 (Implementing I2C Driver with RA4M1) (0) | 2025.08.13 |
| Arduino Nano 33 IoT로 LSM6DS3 센서 데이터를 BLE로 전송하기(Sending LSM6DS3 Sensor Data via BLE with Arduino Nano 33 IoT) (0) | 2025.08.03 |