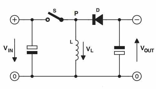
벅-부스트 컨버터(buck-boost converter)는 입력 전압을 낮추거나 높여 출력 전압을 조절할 수 있는 DC-DC 컨버터로, 출력 전압이 입력 전압보다 낮거나 높을 수 있는 특징이 있습니다. 이하에 벅-부스트 컨버터 설계 절차를 상세히 설명하겠습니다. 이 과정은 일반적인 설계 흐름을 따르며, 실제 설계 시에는 부품의 제약, 효율, 비용 등을 고려해야 합니다.
1. 설계 사양
설계의 첫 단계는 요구되는 사양을 명확하게 정의하는 것입니다. 주요 사양은 다음과 같습니다:
- 입력 전압 범위 (Vin): 입력 전압의 최소값(Vin_min)과 최대값(Vin_max). 예: 5V~15V.
- 출력 전압 (Vout): 필요한 출력 전압. 예: 12V.
- 출력 전류 (Iout): 최대 부하 전류. 예: 2A.
- 출력 전력 (Pout): $P_{out} = V_{out} \times I_{out}$. 예: 12V × 2A = 24W.
- 스위칭 주파수 (fsw): 일반적으로 100kHz~1MHz. 예: 500kHz.
- 효율 목표 (η): 예: 90% 이상.
- 리플 사양:
- 출력 전압 리플 ($ \Delta V_{out} $): 예: Vout의 ±1% 이내.
- 입력 전류 리플 ($ \Delta I_{in} $): 예: 20% 이내.
- 운영 모드: 연속 전도 모드(CCM) 또는 불연속 전도 모드(DCM).
- 환경 조건: 온도 범위, 열 관리 요구사항 등.
2. 동작 모드 선택 (CCM vs. DCM)
벅-부스트 컨버터는 CCM(Continuous Conduction Mode) 또는 DCM(Discontinuous Conduction Mode)에서 동작할 수 있습니다. 선택 기준은 다음과 같습니다:
- CCM: 부하 전류가 크거나, 리플 전류를 줄이고자 할 때 적합. 설계가 비교적 간단하지만 인덕터 크기가 커질 수 있음.
- DCM: 경부하에서 효율적이며, 인덕터 크기를 줄일 수 있음. 하지만 제어가 복잡할 수 있음.
일반적으로 중대형 전력 애플리케이션에서는 CCM을 선호합니다. 이 설명에서는 CCM을 기준으로 진행하겠습니다.
3. 듀티 사이클(Duty Cycle) 계산
벅-부스트 컨버터의 출력 전압과 입력 전압의 관계는 다음과 같습니다:
$$V_{out} = -V_{in} \cdot \frac{D}{1-D}$$
여기서:
- $V_{out}$: 출력 전압 (절대값으로 계산).
- $V_{in}$: 입력 전압.
- $D$: 듀티 사이클 ($0 < D < 1$).
이를 재정리하여 듀티 사이클 $D$를 구하면:
$$D = \frac{V_{out}}{V_{out} + V_{in}}$$
예시:
- $V_{out} = 12V$, $V_{in} = 5V$ (최소 입력 전압)일 때: $$D = \frac{12}{12 + 5} = 0.706 \ (70.6\%)$$
- $V_{in} = 15V$ (최대 입력 전압)일 때: $$D = \frac{12}{12 + 15} = 0.444 \ (44.4\%)$$
따라서 듀티 사이클은 입력 전압 범위에 따라 44.4%에서 70.6% 사이에서 변동됩니다. 설계는 최악의 경우(최대 듀티 사이클)를 기준으로 진행합니다.
4. 인덕터(L) 설계
인덕터는 에너지 저장과 전달을 담당하며, 리플 전류와 스위칭 주파수에 따라 크기가 결정됩니다.
인덕터 리플 전류 ($\Delta I_L$)
인덕터 리플 전류는 일반적으로 최대 부하 전류의 20~40%로 설정합니다. 예: $I_{out} = 2A$일 때, $\Delta I_L = 0.4A$ (20%로 가정).
인덕터 전류는 벅-부스트 컨버터에서 입력과 출력 전류의 합에 따라 계산됩니다. CCM에서 평균 인덕터 전류 $I_L$는 다음과 같습니다:
$$I_L = \frac{I_{out}}{1-D}$$
최대 듀티 사이클 ($D = 0.706$)에서:
$$I_L = \frac{2}{1-0.706} = 6.8A$$
인덕터 값 계산
인덕터 값 $L$은 다음 식으로 계산합니다:
$$L = \frac{V_{in} \cdot D}{\Delta I_L \cdot f_{sw}}$$
예시:
$V_{in} = 5V$, $D = 0.706$, $\Delta I_L = 0.4A$, $f_{sw} = 500kHz$:
$$L = \frac{5 \cdot 0.706}{0.4 \cdot 500 \times 10^3} = 17.65 \, \mu H$$따라서 약 18μH의 인덕터를 선택합니다. 실제로는 포화 전류가 $I_L + \Delta I_L/2 = 6.8 + 0.2 = 7A$ 이상인 인덕터를 선택해야 합니다.
5. 출력 커패시터(Cout) 설계
출력 커패시터는 출력 전압 리플을 줄이는 역할을 합니다. 출력 전압 리플 $\Delta V_{out}$는 다음과 같습니다:
$$\Delta V_{out} = \Delta I_L \cdot ESR + \frac{I_{out} \cdot D}{f_{sw} \cdot C_{out}}$$
여기서:
- $ESR$: 커패시터의 등가 직렬 저항.
- $C_{out}$: 출력 커패시터 용량.
예시:
$\Delta V_{out} = 0.12V$ (Vout의 1%), $\Delta I_L = 0.4A$, $ESR = 50m\Omega$, $D = 0.706$, $f_{sw} = 500kHz$:
- ESR에 의한 리플: $0.4 \cdot 0.05 = 0.02V$.
- 커패시터에 의한 리플: $0.12 - 0.02 = 0.1V$.
용량 계산:
$$C_{out} = \frac{I_{out} \cdot D}{f_{sw} \cdot \Delta V_{out}} = \frac{2 \cdot 0.706}{500 \times 10^3 \cdot 0.1} = 28.24 \, \mu F$$따라서 약 33μF 이상의 커패시터를 선택하고, ESR이 낮은 세라믹 또는 전해 커패시터를 사용합니다.
6. 입력 커패시터(Cin) 설계
입력 커패시터는 입력 전류 리플을 줄이고 전원 안정성을 유지합니다. 입력 전류 리플은 다음과 같습니다:
$$\Delta I_{in} = I_L \cdot \sqrt{D \cdot (1-D)}$$
입력 커패시터 $C_{in}$는 다음과 같이 계산합니다:
$$C_{in} = \frac{\Delta I_{in}}{8 \cdot f_{sw} \cdot \Delta V_{in}}$$
예시:
$\Delta V_{in} = 0.1V$, $f_{sw} = 500kHz$, $I_L = 6.8A$, $D = 0.706$:
$$\Delta I_{in} = 6.8 \cdot \sqrt{0.706 \cdot (1-0.706)} = 3.1A$$ $$C_{in} = \frac{3.1}{8 \cdot 500 \times 10^3 \cdot 0.1} = 7.75 \, \mu F$$따라서 약 10μF 이상의 입력 커패시터를 선택합니다.
7. 스위치(MOSFET)와 다이오드 선택
- MOSFET: 최대 전압 $V_{in} + V_{out}$와 최대 전류 $I_L + \Delta I_L/2$를 견딜 수 있는 스위치를 선택. 예: 20V 이상, 7A 이상의 N-채널 MOSFET.
- 다이오드: 역방향 전압 $V_{in} + V_{out}$와 평균 전류 $I_{out}/(1-D)$를 견딜 수 있는 쇼트키 다이오드를 선택. 예: 20V, 7A 이상.
8. 제어 회로 설계
PWM 컨트롤러를 선택하여 듀티 사이클을 제어합니다. 일반적인 컨트롤러는 다음과 같습니다:
- 전압 모드 제어: 간단하지만 응답 속도가 느림.
- 전류 모드 제어: 빠른 응답과 안정성 제공.
컨트롤러는 피드백 루프를 통해 출력 전압을 안정화합니다. 피드백 저항을 사용하여 $V_{out}$을 설정합니다.
9. 효율 최적화 및 열 설계
- 효율 계산: $$\eta = \frac{P_{out}}{P_{out} + P_{loss}}$$ 여기서 $P_{loss}$는 스위칭 손실, 전도 손실, 인덕터 손실 등으로 구성.
- 열 관리: MOSFET, 다이오드, 인덕터의 발열을 고려해 방열판 또는 PCB 레이아웃 최적화.
10. 시뮬레이션 및 프로토타입 테스트
- 시뮬레이션: LTspice, PSpice 등으로 회로를 시뮬레이션하여 리플, 효율, 안정성을 확인.
- 프로토타입 제작: 실제 부품으로 회로를 구성하고, 부하 테스트, 리플 측정, 효율 측정을 수행.
11. 최종 검증 및 최적화
- 출력 전압 안정성, 리플, 효율을 측정.
- EMI(Electromagnetic Interference) 테스트를 통해 노이즈를 최소화.
- 필요 시 부품 값을 조정하거나 스너버 회로 추가.
예시 설계 요약
- 입력 전압: 5V~15V
- 출력 전압: 12V
- 출력 전류: 2A
- 스위칭 주파수: 500kHz
- 인덕터: 18μH, 7A 이상
- 출력 커패시터: 33μF, 저 ESR
- 입력 커패시터: 10μF
- MOSFET/다이오드: 20V, 7A 이상
- 컨트롤러: 전류 모드 PWM 컨트롤러
이 설계 절차는 일반적인 가이드라인이며, 실제 설계 시에는 부품 가용성, 비용, PCB 레이아웃 제약 등을 고려해야 합니다.
'Power Electronics > DC-DC변환' 카테고리의 다른 글
양방향 전력 전송 공진형 CLLC 컨버터 설계 절차 (1) | 2025.08.21 |
---|---|
PSFB(Phase-Shifted Full-Bridge) 컨버터 설계 절차 (0) | 2025.08.19 |
양방향 전력 전송 공진형 CLLC 컨버터 설계 절차 및 제어기 분석 (0) | 2025.08.19 |
Half-Bridge LLC 공진 컨버터 설계 절차 (1) | 2025.08.11 |
Power Electronics 에서 CCM과 DCM 란 무엇인가? (0) | 2025.08.02 |
Flyback Converter 설계 절차 (2) | 2025.08.02 |
Buck Converter 설계 절차 (0) | 2025.08.02 |
Boost Converter 설계 절차 (0) | 2025.08.02 |